|
庖哥在门锁厂家接触外贸五金多年,拥有丰富的外贸五金行业知识和经验,但近期在看到北欧门锁(挪威门锁)图纸时,也是蒙圈了,如下图! 
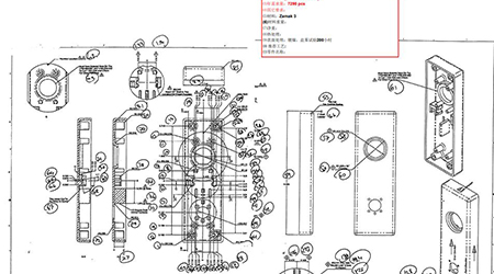
门锁图纸1 全外文的表述方式,密密麻麻的孔径尺寸、长短厚度尺寸(如图),虽然紊而不乱,但也像看天书一样,丝毫无法想象图纸形成的实际产品画面图! 
门锁图纸2 磨具师傅开始挺感兴趣,但图纸太复杂,没有实物作为参考,克重、表面处理、磨具准确数量等关键因素全部无法核算,也导致最终成型产品无法实现成本核算! 

门锁图纸3 
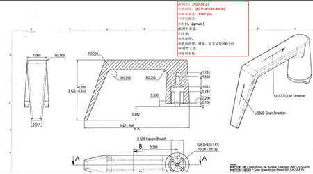
把手图纸1 北欧地区的门锁,从图纸上看要求盐雾测试达到200小时,但实际温州地区盐雾测试最长也只有96小时。目前这种工艺水平在广东地带可能能够达到。北欧地区地处寒冷地带,盐雾测试满足的是沿海热带区域的使用条件,所以不清楚挪威门锁为何在天气条件对门锁盐雾测试要求不是主要方面上,为何要求如此之高! 
实物图1 
实物图2 
实物图3
这批采购询单,内容丰富品类繁多,但是数量并不很多,全年需求量超过万件的只有配件,门锁的数量全年需求不到万套,这对门锁厂家的生产形成了不小的考验!
|